
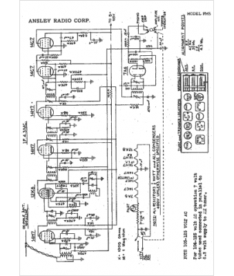
Marque :
Ansley
Modèle :
FM5
Type appareil :
récepteur à tubes
Année :
1942
Pays d'origine :
États-Unis
