
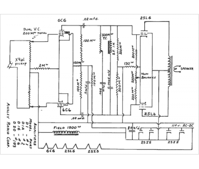
Marque :
Ansley
Modèle :
D-20
Type appareil :
récepteur à tubes
Année :
1940
Pays d'origine :
États-Unis
