
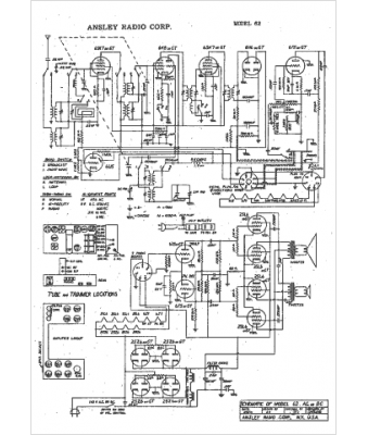
Marque :
Ansley
Modèle :
62
Type appareil :
récepteur à tubes
Année :
1941
Pays d'origine :
États-Unis
