
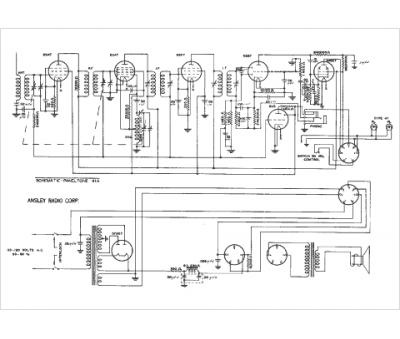
Marque :
Ansley
Modèle :
41A
Type appareil :
récepteur à tubes
Année :
1947
Pays d'origine :
États-Unis
