
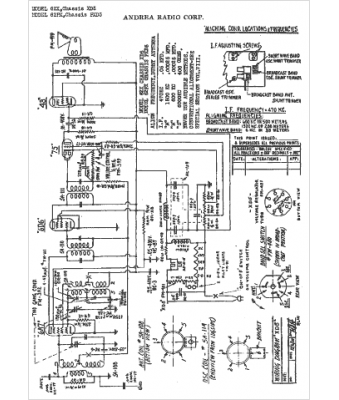
Marque :
															Andrea																																															
														Modèle :
																62X																																	
															Type appareil :
																récepteur à tubes
															Année :
																1938
															Pays d'origine :
																États-Unis
															