
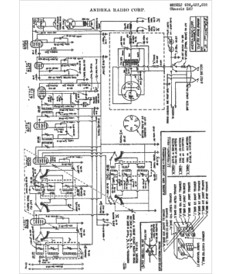
Marque :
Andrea
Modèle :
627
Type appareil :
récepteur à tubes
Année :
1938
Pays d'origine :
États-Unis
