
Marque :
Amplificateurs
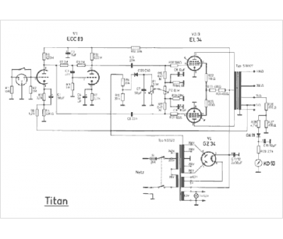
Modèle :
Titan
Type appareil :
récepteur à tubes
Pays d'origine :
Autriche
