
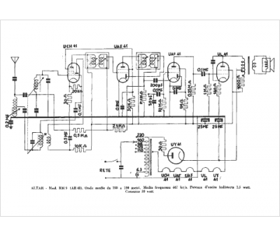
Marque :
Altar
Modèle :
AR 48
Type appareil :
récepteur à tubes
Pays d'origine :
Italie
