
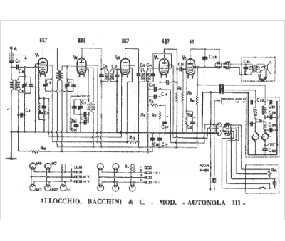
Marque :
Allocchio Bacchini
Modèle :
Autonola III
Type appareil :
récepteur à tubes
Pays d'origine :
Italie
