
Marque :
Allocchio Bacchini
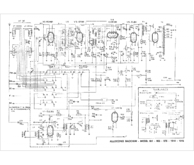
Modèle :
603
Type appareil :
récepteur à tubes
Pays d'origine :
Italie
