
Marque :
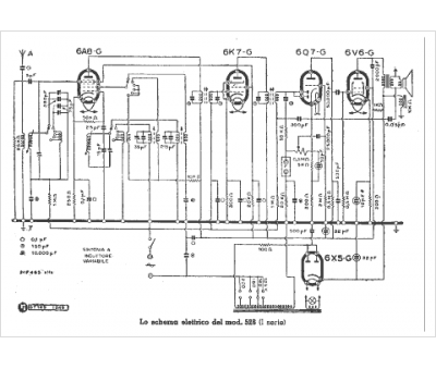
Allocchio Bacchini
Modèle :
526 I
Type appareil :
récepteur à tubes
Pays d'origine :
Italie
