
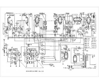
Marque :
Allocchio Bacchini
Modèle :
316 B
Type appareil :
récepteur à tubes
Pays d'origine :
Italie
