
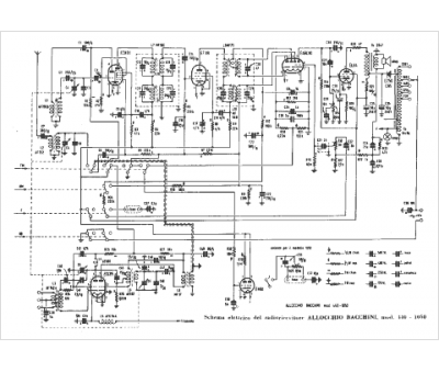
Marque :
Allocchio Bacchini
Modèle :
1050
Type appareil :
récepteur à tubes
Pays d'origine :
Italie
