
Marque :
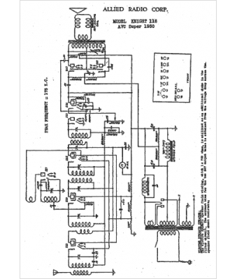
Allied
Modèle :
Knight 118
Type appareil :
récepteur à tubes
Année :
1930
Pays d'origine :
États-Unis
