
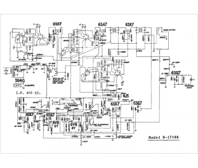
Marque :
Allied
Modèle :
B-17188
Type appareil :
récepteur à tubes
Année :
1942
Pays d'origine :
États-Unis
