
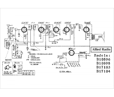
Marque :
Allied
Modèle :
B-17104
Type appareil :
récepteur à tubes
Année :
1941
Pays d'origine :
États-Unis
