
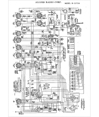
Marque :
Allied
Modèle :
B-10726
Type appareil :
récepteur à tubes
Année :
1942
Pays d'origine :
États-Unis
