
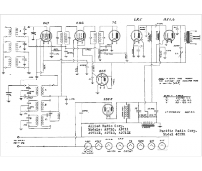
Marque :
Allied
Modèle :
A9712E
Type appareil :
récepteur à tubes
Année :
1938
Pays d'origine :
États-Unis
