
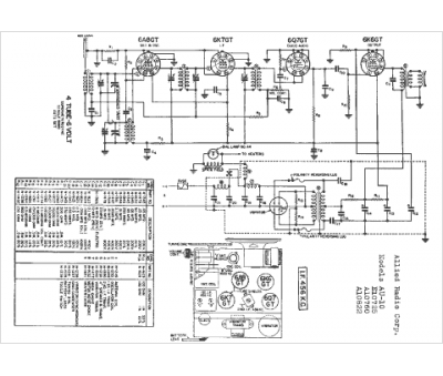
Marque :
Allied
Modèle :
A10822
Type appareil :
récepteur à tubes
Année :
1940
Pays d'origine :
États-Unis
