
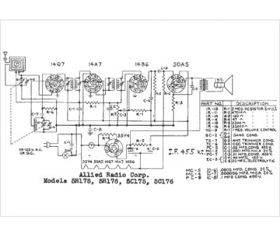
Marque :
Allied
Modèle :
5B175
Type appareil :
récepteur à tubes
Année :
1948
Pays d'origine :
États-Unis
