
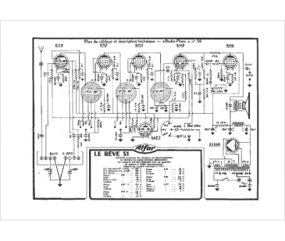
Marque :
Alfar
Modèle :
Le Rêve 51
Type appareil :
récepteur à tubes
Pays d'origine :
France
