
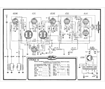
Marque :
Alfar
Modèle :
Etoile 8
Type appareil :
récepteur à tubes
Pays d'origine :
France
