
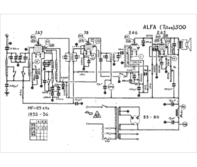
Marque :
Alfa
Modèle :
Titus 500
Type appareil :
récepteur à tubes
Année :
1935
