
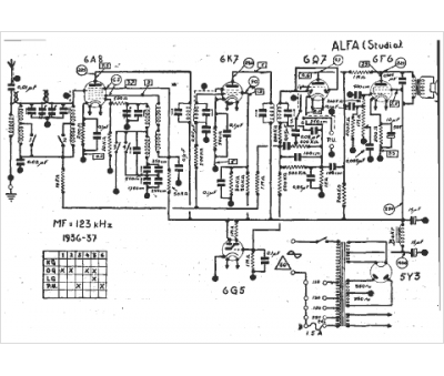
Marque :
Alfa
Modèle :
Studio
Type appareil :
récepteur à tubes
Année :
1936
