
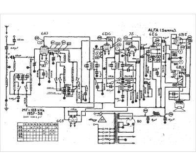
Marque :
Alfa
Modèle :
Serena
Type appareil :
récepteur à tubes
Année :
1937
