
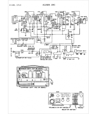
Marque :
Alden
Modèle :
1810
Type appareil :
récepteur à tubes
Année :
1949
Pays d'origine :
États-Unis
