
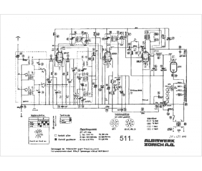
Marque :
															Albis																																															
														Modèle :
																511																																	
															Type appareil :
																récepteur à tubes
															Pays d'origine :
																Suisse
															