
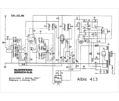
Marque :
Albis
Modèle :
413
Type appareil :
récepteur à tubes
Pays d'origine :
Suisse
