
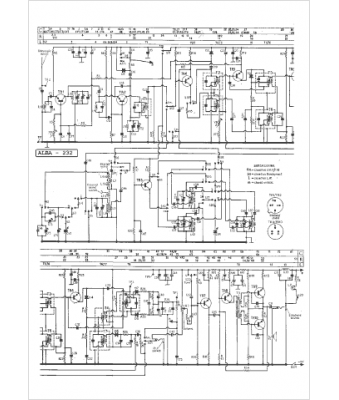
Marque :
Alba
Modèle :
232
Type appareil :
récepteur à tubes
Pays d'origine :
Grande-Bretagne
