
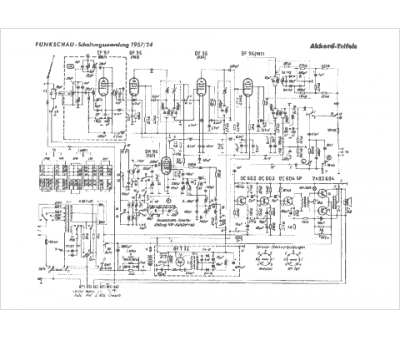
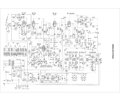
Marque :
Akkord
Modèle :
Trifels
Type appareil :
récepteur à tubes
Pays d'origine :
Allemagne
