
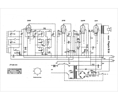
Marque :
Akkord
Modèle :
Pinguin M 54
Type appareil :
récepteur à tubes
Pays d'origine :
Allemagne
