
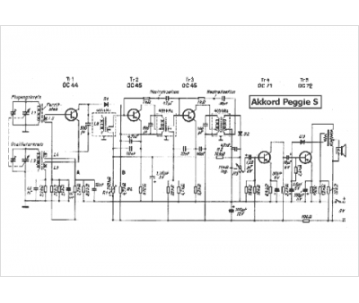
Marque :
Akkord
Modèle :
Peggie S
Type appareil :
récepteur à tubes
Pays d'origine :
Allemagne
