
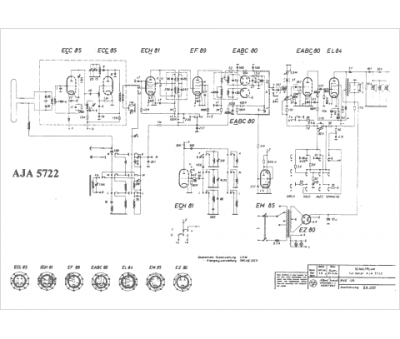
Marque :
Aja
Modèle :
5722
Type appareil :
récepteur à tubes
Pays d'origine :
Allemagne
