
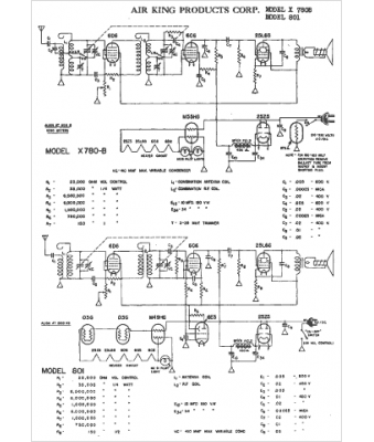
Marque :
Air King Products
Modèle :
801
Type appareil :
récepteur à tubes
Année :
1938
Pays d'origine :
États-Unis
