
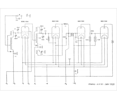
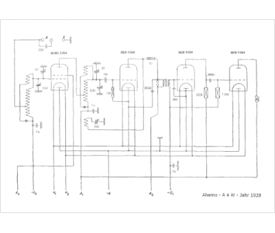
Marque :
Ahemo
Modèle :
A 4 W
Type appareil :
récepteur à tubes
Pays d'origine :
Allemagne
