
Marque :
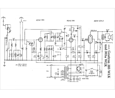
AEG
Modèle :
Geatron 303a WLK
Type appareil :
récepteur à tubes
Pays d'origine :
Allemagne
