
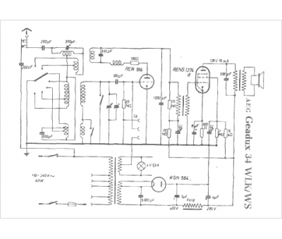
Marque :
AEG
Modèle :
Geadux 34 WLK
Type appareil :
récepteur à tubes
Pays d'origine :
Allemagne
