
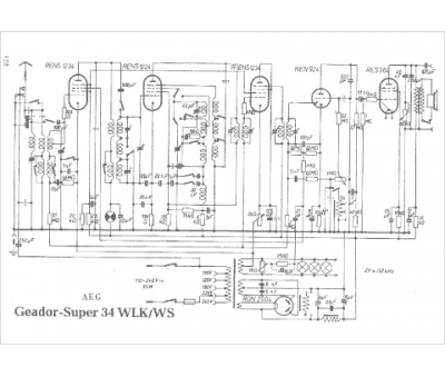
Marque :
AEG
Modèle :
Geador-Super 34 WS
Type appareil :
récepteur à tubes
Pays d'origine :
Allemagne
