
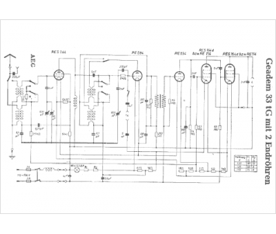
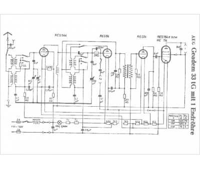
Marque :
AEG
Modèle :
Geadem 33 tG
Type appareil :
récepteur à tubes
Pays d'origine :
Allemagne
