
Marque :
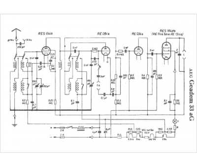
AEG
Modèle :
Geadem 33 aG
Type appareil :
récepteur à tubes
Pays d'origine :
Allemagne
