
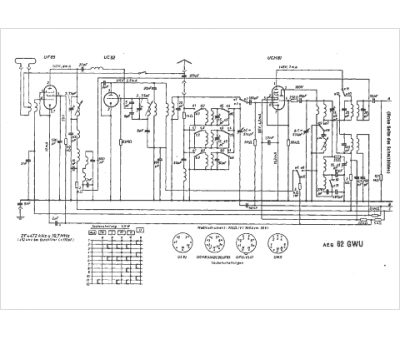
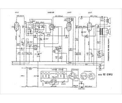
Marque :
AEG
Modèle :
62 GWU
Type appareil :
récepteur à tubes
Pays d'origine :
Allemagne
