
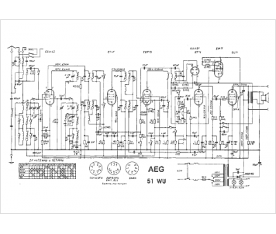
Marque :
AEG
Modèle :
51 WU
Type appareil :
récepteur à tubes
Pays d'origine :
Allemagne
