
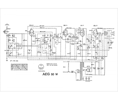
Marque :
AEG
Modèle :
50 W
Type appareil :
récepteur à tubes
Pays d'origine :
Allemagne
