
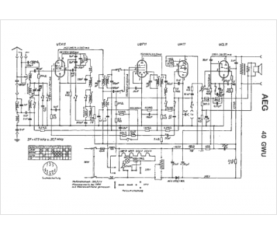
Marque :
AEG
Modèle :
40 GWU
Type appareil :
récepteur à tubes
Pays d'origine :
Allemagne
