
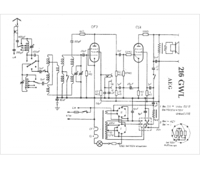
Marque :
AEG
Modèle :
216 GWL
Type appareil :
récepteur à tubes
Pays d'origine :
Allemagne
