
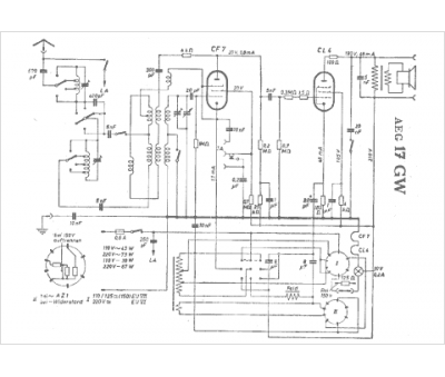
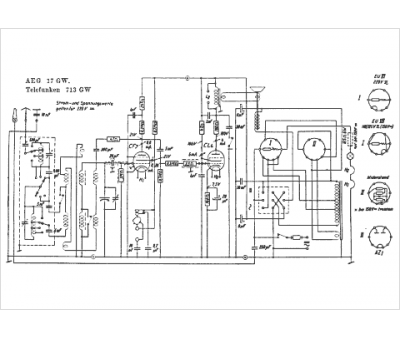
Marque :
AEG
Modèle :
17 GW
Type appareil :
récepteur à tubes
Pays d'origine :
Allemagne
