
Marque :
AEESA
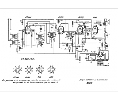
Modèle :
40 EE
Type appareil :
récepteur à tubes
Pays d'origine :
Espagne
