
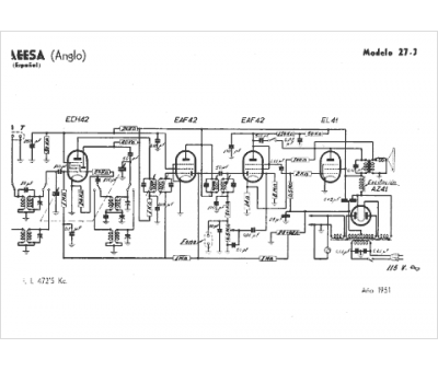
Marque :
AEESA
Modèle :
27 J
Type appareil :
récepteur à tubes
Pays d'origine :
Espagne
