
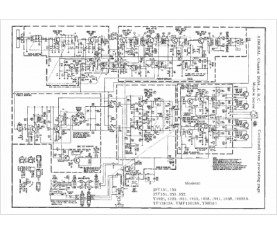
Marque :
Admiral
Modèle :
Y1921
Type appareil :
récepteur à transistors
Pays d'origine :
États-Unis
