
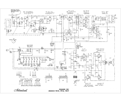
Marque :
Admiral
Modèle :
9E16
Type appareil :
récepteur à tubes
Pays d'origine :
États-Unis
